苏州慧闻纳米科技有限公司 SuZhou Huiwen Nano S&T Co.,Ltd.

SMD1001甲醛传感器

SMD1001甲醛传感器






   SMD1001甲醛气体传感器是基于MEMS工艺开发的半导体气体传感器,可用于检测不同场景下甲醛气体含量。


主要特点:
  采用MEMS工艺、半导体材料
      对甲醛有良好的灵敏度、分辨率和准确性、可检测30ppb甲醛
      尺寸小、功耗低、灵敏度高、响应恢复快
      驱动电路简单、稳定性好、寿命长、结构坚固,抗震性好


技术参数:

产品型号

SMD1001

产品类型

MEMS半导体传感器

标准封装

陶瓷封装

检测气体

甲醛(HCHO

检测浓度

03ppm(甲醛)

分辨率

0.04ppm(甲醛)

标准电路条件

回路电压

VC

5V3.3V

加热电压

VH

1.8±0.05V AC/DC

负载电阻

RL

可调(以出货报告为准)

标准测试条件下气敏元件特性

加热电阻

RH

45Ω±5Ω(室温)

加热功耗

PH

30mW

敏感体电阻

RS

10500KΩ(in air)

灵敏度

S

R0(in air)/Rs(in 0.4ppm甲醛)1.3

斜率

α

0.6(R0.4ppm/R0.01ppm甲醛)

标准测试条件

温度、湿度

20±2℃;55%±5%RH

标准测试电路

VCC:5V3.3±0.1V

VH:1.8V±0.05V

预热时间

3-5min

响应时间(T90

<15s

恢复时间(T10

<60s

寿命

3


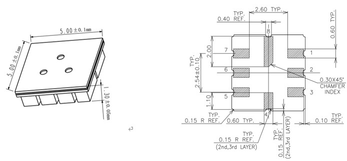
模组尺寸:


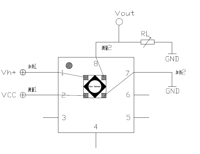
管教定义:

Terminal Functions

NO.

NAME

DESCRIPTION

1

HOT

Heater

2

RS1

Sensor electrode

3

NG

/

4

NG

/

5

NG

/

6

NG

/

7

HOT

Heater

8

RS1

Sensor electrode




参考电路图:



响应曲线图:

 

传感器典型的灵敏度对数特性曲线


传感器响应恢复曲线


传感器温湿度曲线

传感器稳定性曲线


注意事项:
1、 必须避免的情况  
1.1 暴露于可挥发性硅化合物蒸气中                    
传感器要避免暴露于硅粘接剂、发胶、硅橡胶、腻子或其它存在可挥发性硅化合物的场所。如果传感器的表面吸附了硅化合物蒸气,传感器的敏感材料会被硅化合物分解形成的二氧化硅包裹,抑制传感器的敏感性,并且不可恢复。  
1.2 高腐蚀性的环境 
传感器暴露在高浓度的腐蚀性气体(如 H2S,SOX,Cl2,HCl 等)中,不仅会引起加热材料及传感器引线的腐蚀或破坏,并会引起敏感材料性能发生不可逆的劣变。 
1.3 碱、碱金属盐、卤素的污染   
传感器被碱金属尤其是盐水喷雾污染后,或暴露在卤素如氟利昂中,也会引起性能劣变。  
1.4 接触到水  
溅上水或浸到水中会造成传感器敏感特性下降。                 
1.5 结冰      
水在传感器敏感材料表面结冰会导致敏感层碎裂而丧失敏感特性。          
1.6 施加电压过高  
如果给传感器或加热器施加的电压高于规定值,即使传感器没有受到物理损坏或破坏,也会造成引线和/或加热器损坏,并引起传感器敏感特性下降。  
1.7 电压加错管脚 
   如果给传感器或加热和信号管脚电压加错,也会造成引线和/或加热器损坏,并引起传感器敏感特性下降。




上一个 下一个

Top

苏州慧闻纳米科技有限公司