三合一空气质量检测模组MMD1013C

一、产品介绍
MMD1013C 空气质量传感器模组,是采用MEMS微型气体传感器而开发的空气质量模组,可用于检测环境中氨气、氢气、酒精、一氧化碳、二氧化碳,甲烷、甲醛等有机挥发气体;香烟、木材、纸张燃烧烟雾、油烟等。模块经过老化、调试、标定、校准,具有良好的一致性以及极高的灵敏度。
二、产品特点
零点标定、三合一数据输出 、
高灵敏度、长寿命、低功耗 、
自动校准、自带温度补偿、
UART串口信号输出,应用简单
可根据用户要求定制尺寸及输出信号。
三、产品说明
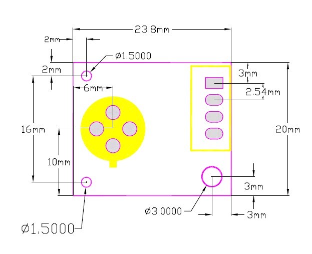
3.1:模组尺寸
3.2:产品参数
|
模块型号 |
MMD1013C |
|||
|
传感器型号 |
SMD1013B |
|||
|
探测气体 |
氨气、氢气、酒精、一氧化碳、二氧化碳,甲烷、甲醛等有机挥发气体;香烟、木材、纸张燃烧烟雾、油烟等。 |
|||
|
电路性能 |
物理接口 |
XH2.54-4立式插座 |
||
|
输出数据 |
UART(5V电平) |
|||
|
输入电压 |
5.0±0.2VDC (无电压反接保护) |
|||
|
测试量程 |
总有机挥发物( TVOC):0-20.00mg/m³ 二氧化碳( CO2):400-6000ppm 甲醛( HCHO):0-10.00mg/m³ |
|||
|
模块气敏参数 |
工作电流 |
≤80mA |
响应时间 |
≤10秒 |
|
预热时间 |
60秒 |
恢复时间 |
≤120秒 |
|
|
环境参数 |
工作温度 |
-10 --- 40℃ |
存储温度 |
-20 --- 60℃ |
|
工作湿度 |
≤95%RH |
存储湿度 |
≤60%RH |
|
|
外形物理规格参数 |
灵 敏 度 |
0.1ppm氢气 |
模块重量 |
约15克 |
|
外形尺寸 |
24×20×15mm(L×W×H) |
|||
|
寿命 |
灵敏度衰减 |
≤1%/年 |
使用寿命 |
5~10年 |
3.3:串口数据流格式
|
B1 |
B2 |
B3 |
B4 |
B5 |
B6 |
B7 |
B8 |
B9 |
|
模块地址 |
模块地址 |
TVOC高 |
TVOC低 |
CH2O高 |
CH2O低 |
CO2高 |
CO2低 |
校验和 |
|
2Ch |
E4h |
0XXh |
0XXh |
0XXh |
0XXh |
0XXh |
0XXh |
0XXh |
说明:
B1 B2的内容 2CH E4H 是模块固定地址。
校验和(B9)=unit_8(B1+B2+B3+B4+B5+B6+B7+B8)
污染气体浓度值(mg/m3)=(XX浓度高*256+XX浓度低)*0.01
应用示意图
四、注意事项
初次上电使用建议需预热5-10分钟以上进行测试。
请避免震动和跌落,以及严禁液体流入传感器内部。
请勿将该模块应用于涉及人身安全的系统中。
请勿将该模块长时间置于高浓度有机气体中。
请勿将模块安装在强空气对流环境下使用。
