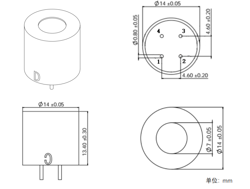
催化燃烧氢气传感器 SRO1012

SRO1012是一款符合车载标准的基于MEMS微热板工艺制备的氢气传感器,该传感器属于催化燃烧气体传感器,具有良好的稳定性、可靠性和测试精度,可用于检测不同场景中的氢气体浓度。
除了传感器,本公司还提供包括整合电路和算法在内的完整的检测模组,方便直接使用。
传感器特点
l 低温漂(<1.5mV)
l 宽测量范围(0~4%)
l 响应恢复快(< 3sec)
l 线性度高(> 99%)
l 高精度(0.05%)
l 抗干扰性强
l 抗HMDS、H2S、SO2等中毒
l 高稳定性与可靠性
l 耐机械冲击
主要应用
l 氢气报警器
l 氢气浓度测试分析
l 氢能汽车氢气泄露检测
l 加氢站氢气泄露检测
