SMD1015丙酮气体传感器

SMD1015丙酮气体传感器是基于金属氧化物材料开发的MEMS微型气体传感器,可用于检测呼出口气中的丙酮气体含量,该传感器具有低功耗、小尺寸、低成本等特点。
本品采用MEMS工艺,结构坚固,对一氧化碳灵敏度高;具有尺寸小、功耗低、灵敏度高、响应恢复 快、驱动电路简单、稳定性好、寿命长等优点。
技术参数:
产品型号
SMD1015
产品类型
MEMS半导体传感器
标准封装
陶瓷封装
检测气体
丙酮
检测浓度
0-500ppm
分辨率
0.1ppm
工作温度
-20-55℃
工作湿度
10-95%RH
标准电路条件
回路电压
VC
5V或者3.3V
加热电压
VH+
1.8V±0.1V AC / DC
负载电阻
RL
可调(以出货报告为准)
标准测试条件下气敏元件特性
加热电阻
RH
45Ω±5Ω(室温)
加热功耗
PH
≤30mW
敏感体电阻
R0
10KΩ~1000KΩ(in air)
灵敏度
S
R0(in
air)/Rs(in 1ppm C2H6O)≥1.5
斜率
α
≤0.5(R3ppm/R1ppm(C2H6O)
标准测试条件
温度、湿度
20℃±2℃;55%±5%RH
标准测试电路
Vcc:5V或者3.3V
VH :1.8V±0.1V,可使用最高2.2V来缩短预热时间
预热时间
3-5min
响应时间(T90)
<30s
恢复时间(T10)
<60s
寿命
≥3年
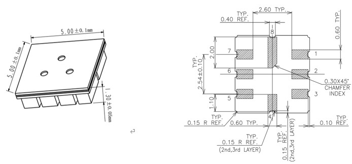
模组尺寸:

管脚定义
|
Terminal Functions |
||
|
NO. |
NAME |
DESCRIPTION |
|
1 |
HOT1+ |
Heater1 |
|
2 |
VCC |
Sensor electrode |
|
3 |
HOT2+ |
/ |
|
4 |
NG |
/ |
|
5 |
NG |
/ |
|
6 |
Vout2 |
/ |
|
7 |
HOT |
Heater2 |
|
8 |
Vout1 |
Sensor electrode |
特性曲线:
注:图中所有测试均在标准测试条件下完成,Ro表示传感器在洁净空气中的稳定电阻,Rs表示传感器在一定浓度的气体氛围中的稳定电阻值,横坐标为持续通电的老化时间,纵坐标为传感器的实际电阻值
长期稳定性
1.1 暴露于可挥发性硅化合物蒸气中
传感器要避免暴露于硅粘接剂、发胶、硅橡胶、腻子或其它存在可挥发性硅化合物的场所。如果传感器的表面吸附了硅化合物蒸气,传感器的敏感材料会被硅化合物分解形成的二氧化硅包裹,抑制传感器的敏感性,并且不可恢复。
1.2 高腐蚀性的环境
传感器暴露在高浓度的腐蚀性气体(如 H2S,SOX,Cl2,HCl 等)中,不仅会引起加热材料及传感器引线的腐蚀或破坏,并会引起敏感材料性能发生不可逆的劣变。
1.3 碱、碱金属盐、卤素的污染
传感器被碱金属尤其是盐水喷雾污染后,或暴露在卤素如氟利昂中,也会引起性能劣变。
1.4 接触到水
溅上水或浸到水中会造成传感器敏感特性下降。
1.5 结冰
水在传感器敏感材料表面结冰会导致敏感层碎裂而丧失敏感特性。
1.6 施加电压过高
如果给传感器或加热器施加的电压高于规定值,即使传感器没有受到物理损坏或破坏,也会造成引线和/或加热器损坏,并引起传感器敏感特性下降。
1.7 电压加错管脚
如果给传感器或加热和信号管脚电压加错,也会造成引线和/或加热器损坏,并引起传感器敏感特性下降。
上一个 下一个
