SMD1005乙醇传感器

一、产品简介:
SMD1005乙醇传感器是基于MEMS工艺的金属氧化物材料开发的微型气体传感器,可用于检测空气中的乙醇气体含量,该传感器具有低功耗、小尺寸、低成本等特点。是将敏感材料涂布于电极上,当被检测气体接触敏感材料时,敏感材料的电导率会发生变化,使用特定的电路即可将电导率的变化转换为与该气体浓度相对应的输出信号。
二、主要特点:
本品采用MEMS工艺,结构坚固,抗震性好,
具有尺寸小、功耗低、灵敏度高、响应恢复快、驱动电路简单、稳定性好、寿命长等优点。
产品参数
|
产品型号 |
SMD1005 |
|||
|
产品类型 |
MEMS半导体传感器 |
|||
|
标准封装 |
陶瓷封装 |
|||
|
检测气体 |
酒精(C2H5OH) |
|||
|
检测浓度 |
0~500ppm(乙醇) |
|||
|
分辨率 |
0.2ppm(乙醇) |
|||
|
工作温度 |
-20-55℃ |
|||
|
工作湿度 |
10-95%RH |
|||
|
标准电路条件 |
回路电压 |
|||
|
标准电路条件 |
回路电压 |
VC |
MCU的I/O来输出高电平5V或3.3V |
|
|
加热电压 |
VH+ |
1.8V±0.05V AC/DC |
||
|
负载电阻 |
RL |
可调(以出货报告为准) |
||
|
标准测试条件下气敏元件特性
|
加热电阻 |
RH |
45±5Ω(室温) |
|
|
加热功耗 |
PH |
≤30mW |
||
|
敏感体电阻 |
RS |
10~500KΩ(in air) |
||
|
灵敏度 |
S |
R0(in air)/Rs(in 25ppm酒精)≥3 |
||
|
斜率 |
α |
≤0.6(R125ppm/R25ppm酒精) |
||
|
标准测试条件
|
温度、湿度 |
20℃±2℃;55%±5%RH |
||
|
标准测试电路 |
Vcc:使用MCU的I/O来输出高电平5V或者3.3V |
|||
|
VH:1.8V±0.05V |
||||
|
预热时间 |
30s |
|||
|
响应时间(T90) |
<15s |
|||
|
恢复时间(T10) |
<60s |
|||
|
寿命 |
≥3年 |
|||
三、产品说明:

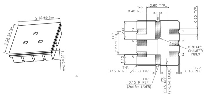
|
Terminal Functions |
||
|
NO. |
NAME |
DESCRIPTION |
|
1 |
HOT |
Heater |
|
2 |
RS1 |
Sensor electrode |
|
3 |
NG |
/ |
|
4 |
NG |
/ |
|
5 |
NG |
/ |
|
6 |
NG |
/ |
|
7 |
HOT |
Heater |
|
8 |
RS1 |
Sensor electrode |
四、应用场景:
酒驾检测
五、注意事项:
5.1、必须避免的情况
5.1.1 暴露于可挥发性硅化合物蒸气中
传感器要避免暴露于硅粘接剂、发胶、硅橡胶、腻子或其它存在可挥发性硅化合物的场所。如果传感器的表面吸附了硅化合物蒸气,传感器的敏感材料会被硅化合物分解形成的二氧化硅包裹,抑制传感器的敏感性,并且不可恢复。
5.1.2 高腐蚀性的环境
传感器暴露在高浓度的腐蚀性气体(如H2S,SOX,Cl2,HCl等)中,不仅会引起加热材料及传感器引线的腐蚀或破坏,并会引起敏感材料性能发生不可逆的劣变。
5.1.3 碱、碱金属盐、卤素的污染
传感器被碱金属尤其是盐水喷雾污染后,或暴露在卤素如氟利昂中,也会引起性能劣变。
5.1.4 接触到水
溅上水或浸到水中会造成传感器敏感特性下降。
5.1.5 结冰
水在传感器敏感材料表面结冰会导致敏感层碎裂而丧失敏感特性。
5.1.6 施加电压
由过载电压引起的过载加热功率会对传感器造成不可逆的损害,同时静电也会损坏传感器,所以在接触传感器时要采取防静电措施。
5.2、尽可能避免的情况
5.2.1 凝结水
在室内使用条件下,轻微凝结水对传感器性能会产生轻微影响。如果水凝结在敏感层表面并保持一段时间,传感器特性则会下降。
5.2.2 处于高浓度气体中
无论传感器是否通电,在高浓度气体中长期放置,均会影响传感器特性。如用打火机气直接喷向传感器,会对传感器造成极大损害。
5.2.3 长期暴露在极端环境中
无论传感器是否通电,长时间暴露在极端条件下,如高湿、高温或高污染等极端条件,传感器性能将受到严重影响。
5.2.4振动
频繁、过度振动会导致传感器内部产生共振而断裂。在运输途中及组装线上使用气动螺丝刀/超声波焊接机会产生此类振动。
5.2.5 冲击
如果传感器受到强烈冲击或碰撞会导致其内部断裂。
5.2.6 焊接
焊接过程中,使用含氯最少的松香助焊剂,并做防护措施对传感器加以保护。
违反以上使用条件将使传感器特性下降。
