SMD1013B VOC空气质量传感器

SMD1013B空气质量传感器(TVOC)是基于MEMS工艺半导体材料开发的微型气体传感器,可用于检测不同场景下TVOC气体含量。
本品采用MEMS工艺,结构坚固,抗震性好;
具有尺寸小、功耗低、灵敏度高、响应恢复快、
驱动电路 简单、稳定性好、寿命长等优点。
产品参数:
|
产品型号 |
SMD1013B |
|||
|
产品类型 |
MEMS半导体传感器 |
|||
|
标准封装 |
陶瓷封装 |
|||
|
检测气体 |
酒精、烟雾、甲苯、丙酮、甲醛等 |
|||
|
检测浓度 |
0~100ppm(乙醇) |
|||
|
分辨率 |
0.2ppm(乙醇) |
|||
|
标准电路条件 |
回路电压 |
VC |
≤5V或3.3V |
|
|
加热电压 |
VH |
1.8V±0.1V AC / DC |
||
|
负载电阻 |
RL |
可调(以出货报告为准) |
||
|
标准测试条件下气敏元件特性 |
加热电阻 |
RH |
45Ω±5Ω(室温) |
|
|
加热功耗 |
PH |
≤40mW |
||
|
敏感体电阻 |
RS |
10~300KΩ(in air) |
||
|
灵敏度 |
S |
R0(in air)/Rs(in 10ppm酒精)≥10 |
||
|
斜率 |
α |
≤0.3(R10ppm/R1ppm酒精) |
||
|
标准测试条件 |
温度、湿度 |
20℃±2℃;55%±5%RH |
||
|
标准测试电路 |
VC:5V或3.3±0.1V; |
|||
|
VH:1.8V±0.1V |
||||
|
预热时间 |
3-5min |
|||
|
响应时间(T90) |
<30s |
|||
|
恢复时间(T10) |
<60s |
|||
|
寿命 |
≥3年 |
|||
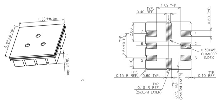
示意图:

Terminal Functions
NO.
NAME
DESCRIPTION
1
HOT
Heater
2
RS1
Sensor electrode
3
NG
/
4
NG
/
5
NG
/
6
NG
/
7
HOT
Heater
8
RS1
Sensor electrode
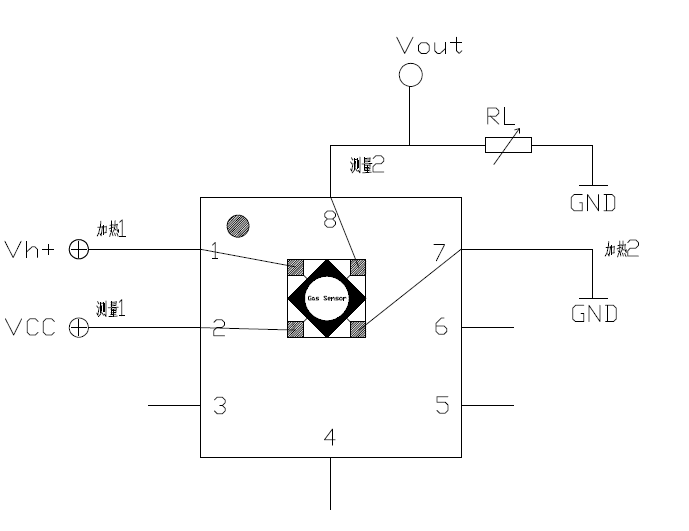
基本电路

传感器典型的灵敏度对数特性曲线:
1、 必须避免的情况
1.1 暴露于可挥发性硅化合物蒸气中
传感器要避免暴露于硅粘接剂、发胶、硅橡胶、腻子或其它存在可挥发性硅化合物的场所。如果传感器的表面吸附了硅化合物蒸气,传感器的敏感材料会被硅化合物分解形成的二氧化硅包裹,抑制传感器的敏感性,并且不可恢复。
1.2 高腐蚀性的环境
传感器暴露在高浓度的腐蚀性气体(如 H2S,SOX,Cl2,HCl 等)中,不仅会引起加热材料及传感器引线的腐蚀或破坏,并会引起敏感材料性能发生不可逆的劣变。
1.3 碱、碱金属盐、卤素的污染
传感器被碱金属尤其是盐水喷雾污染后,或暴露在卤素如氟利昂中,也会引起性能劣变。
1.4 接触到水
溅上水或浸到水中会造成传感器敏感特性下降。
1.5 结冰
水在传感器敏感材料表面结冰会导致敏感层碎裂而丧失敏感特性。
1.6 施加电压过高
如果给传感器或加热器施加的电压高于规定值,即使传感器没有受到物理损坏或破坏,也会造成引线和/或加热器损坏,并引起传感器敏感特性下降。
1.7 电压加错管脚
如果给传感器或加热和信号管脚电压加错,也会造成引线和/或加热器损坏,并引起传感器敏感特性下降。
上一个 下一个
