SMD1008甲烷传感器

气体传感器是基于金属氧化物材料的微型气体传感器,可用于检测空气中的甲烷气体含量,该传感器具有低功耗、小尺寸、低成本等特点。是将敏感材料涂布于电极上,当CH4气体接触敏感材料时,敏感材料的电导率会发生变化,使用特定的电路即可将电导率的变化转换为与该气体浓度相对应的输出信号。
除了传感器的设计,本公司还提供包括整合电路在内的完整的气体传感器模块。
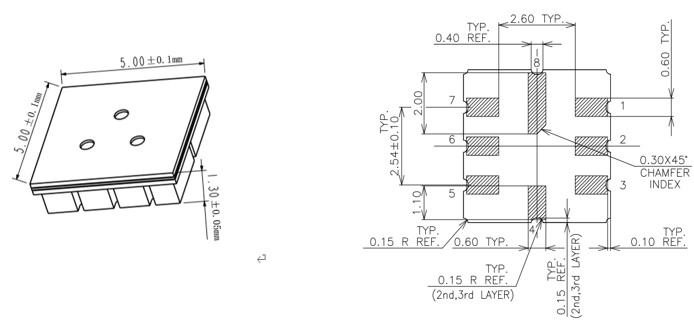
小尺寸:5mm × 5mm × 1.2mm
低功耗:<30mW
寿命长:2年以上
技术参数:
产品型号
SMD 1008
标准封装
陶瓷封装
检测气体
甲烷
检测浓度
0~10000ppm(甲烷)
分辨率
500ppm
标准电路条件
回路电压
VC
≤5V DC
加热电压
VH
1.8V±0.05V AC or DC
负载电阻
RL
可调(以出货报告为准)
标准测试条件下气敏元件特性
加热电阻
RH
45Ω±5Ω(室温)
加热功耗
PH
≤30mW
敏感体电阻
RS
5KΩ~300KΩ(in air)
灵敏度
S
R0(in air)/Rs(in 5000ppm CH4)≥5
斜率
α
≤0.5(R5000ppm/R1000ppm(CH4)
标准测试条件
温度、湿度
20℃±2℃;55%±5%RH
标准测试电路
VC:5V±0.1V;
VH :1.8V±0.1V
预热时间
不少于3分钟
相应时间(T90)
<15s
恢复时间(T10)
<30s
寿命
≥3年
示意图:

|
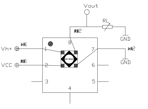
Terminal Functions |
||
|
NO. |
NAME |
DESCRIPTION |
|
1 |
HOT |
Heater |
|
2 |
RS1 |
Sensor electrode |
|
3 |
NG |
/ |
|
4 |
NG |
/ |
|
5 |
NG |
/ |
|
6 |
NG |
/ |
|
7 |
HOT |
Heater |
|
8 |
RS1 |
Sensor electrode |
参考电路图:
注意事项:
1、 必须避免的情况
1.1 暴露于可挥发性硅化合物蒸气中
传感器要避免暴露于硅粘接剂、发胶、硅橡胶、腻子或其它存在可挥发性硅化合物的场所。如果传感器的表面吸附了硅化合物蒸气,传感器的敏感材料会被硅化合物分解形成的二氧化硅包裹,抑制传感器的敏感性,并且不可恢复。
1.2 高腐蚀性的环境
传感器暴露在高浓度的腐蚀性气体(如 H2S,SOX,Cl2,HCl 等)中,不仅会引起加热材料及传感器引线的腐蚀或破坏,并会引起敏感材料性能发生不可逆的劣变。
1.3 碱、碱金属盐、卤素的污染
传感器被碱金属尤其是盐水喷雾污染后,或暴露在卤素如氟利昂中,也会引起性能劣变。
1.4 接触到水
溅上水或浸到水中会造成传感器敏感特性下降。
1.5 结冰
水在传感器敏感材料表面结冰会导致敏感层碎裂而丧失敏感特性。
1.6 施加电压过高
如果给传感器或加热器施加的电压高于规定值,即使传感器没有受到物理损坏或破坏,也会造成引线和/或加热器损坏,并引起传感器敏感特性下降。
1.7 电压加错管脚
如果给传感器或加热和信号管脚电压加错,也会造成引线和/或加热器损坏,并引起传感器敏感特性下降。
